Magna Concursos
Questões
Planos
Entrar
Entrar
Criar Conta
Respondida
387458
Ano:
2016
Disciplina:
Engenharia Eletrônica
Banca:
FUMARC
Orgão:
CBTU
Provas:
Técnico Industrial - Eletrônica
Provas
×
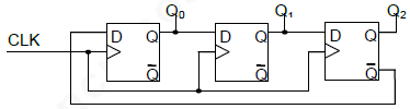
Latches e flip-Flop´s
No circuito abaixo, todos os flip-flops estão, inicialmente, com suas saídas em nível lógico baixo, e a entrada CLK está ligada a um sinal digital periódico. Com relação a este circuito, todas as alternativas estão corretas,
EXCETO
:
A
Uma transição de descida do sinal da entrada CLK não modifica o estado das saídas Q
0
, Q
1
e Q
2
.
B
Os sinais das três saídas têm o mesmo período.
C
A saída Q
1
muda o seu estado de baixo para alto imediatamente após a segunda transição de subida do sinal de entrada CLK, contando a partir do instante inicial.
D
A frequência do sinal da saída Q
2
é igual à frequência do sinal da entrada CLK dividida por oito.
Resolver
Comentários
0
×
Cadernos
×
Flashcards
×
Estatísticas
×
Reportar um erro
×
Provas
Questão presente nas seguintes provas
Técnico Industrial - Eletrônica
50 Questões
Resolver Prova
Publicar
Responder
Qual o problema da questão?
Selecione uma opção
Questão Desatualizada
Questão Repetida
Gabarito Errado
Outros Motivos
Mensagem
Enviar
Acessar
Criar Conta
Acesse sua Conta
Google
Facebook
Esqueci minha senha
Acessar
Ainda não tem conta?
Crie uma
!
Crie uma Conta
Criar Conta
Olá, para continuar, precisamos criar uma conta!
É
rápido
e
grátis
.
Google
Facebook
Concordo com os
Termos de Uso
Criar
Já tem uma conta?
Acesse aqui