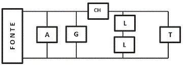
Um eletricista é contratado para refazer um circuito em um alojamento de escoteiros, de modo que a uma determinada hora da noite seja possível desligar todas as lâmpadas (L) e a TV (T), sem afetar o funcionamento da geladeira (G) e do aquecedor (A). Vale ressaltar que, nesse novo circuito, o funcionamento das lâmpadas, da geladeira e da TV não deve ser alterado em relação ao circuito anterior, que está representado no esquema a seguir.

Considere “CH” a chave do circuito e “FONTE” a tensão fornecida pela rede.
O circuito apresentado pelo eletricista está corretamente apresentado no esquema: