Magna Concursos
1911373 Ano: 2017
Disciplina: Engenharia Civil
Banca: UFMT
Orgão: UFMT
Provas:
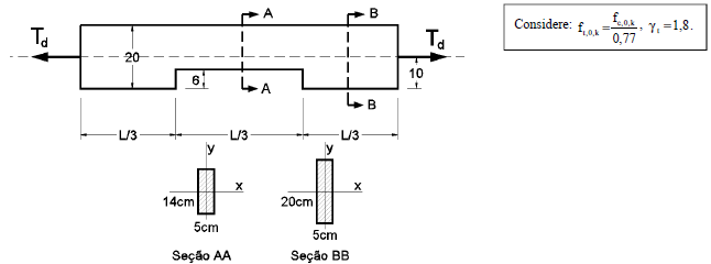
A peça esquematizada na figura é feita de madeira C 60 e está situada em condições tais que k mod = 0,56.
Enunciado 3281971-1
Assinale a alternativa que apresenta o valor máximo aproximado da maior força de tração T d, em quilonewton, que pode ser aplicada na peça.
 

Provas

Questão presente nas seguintes provas

Engenheiro Civil

60 Questões