
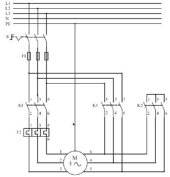
Figura 4 - Circuito de força da ligação estrela-triângulo
A partida Estrela-triângulo é um tipo de acionamento que proporciona a redução da corrente de partida de um motor elétrico, o princípio básico é modificar o esquema de ligação das bobinas do motor, de estrela para triângulo num instante pré- determinado. Na Figura 4 é apresentado um diagrama de força deste tipo de acionamento, baseando-se nele marque a alternativa CORRETA.