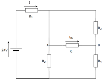
Dado o circuito da figura abaixo, encontre os valores da tensão !$ (V_{RL} = V_{AB}) !$ e da corrente !$ (I_{RL}) !$ no resistor !$ R_L !$ .

Provas
Questão presente nas seguintes provas
Técnico de Laboratório - Física e Eletrotécnica
50 Questões