Magna Concursos
2625233 Ano: 2022
Disciplina: Engenharia Elétrica
Banca: FEPESE
Orgão: CELESC
Provas:

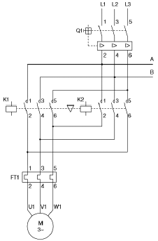
Figura 2

Enunciado 2909553-1

Quais dispositivos de proteção estão apresentados na figura?

 

Provas

Questão presente nas seguintes provas

Eletricista

60 Questões