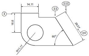
Considere a figura:

No software AutoCAD, antes de cotar um desenho, faz-se necessário ajustar a configuração das cotas no que se refere a limites de cotas e medidas das linhas, entre outras. De acordo com a caixa de diálogo aberta com o comando Dimension Style, em software tipo CAD, os itens I, II, III e IV são chamados, respectivamente, de