Magna Concursos
Questões
Planos
Entrar
Entrar
Criar Conta
Respondida
2181800
Ano:
2010
Disciplina:
Engenharia Eletrônica
Banca:
CESGRANRIO
Orgão:
Petrobrás
Provas:
Técnico de Manutenção - Eletrônica
Provas
×
Contadores e registradores
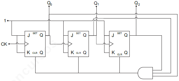
Considere o circuito abaixo, no qual as entradas CLR dos FLIP-FLOPS são acionados com nível lógico 1 e a mudança de estados dos FLI-FLOPS ocorrem na transição de descida do clock.
Com base nesses dados, este circuito implementa um
A
registrador de deslocamento.
B
contador assíncrono decrescente módulo 7.
C
contador assíncrono crescente módulo 8.
D
contador síncrono crescente módulo 7
E
contador assíncrono crescente módulo 7.
Resolver
Comentários
0
×
Cadernos
×
Flashcards
×
Estatísticas
×
Reportar um erro
×
Provas
Questão presente nas seguintes provas
Técnico de Manutenção - Eletrônica
100 Questões
Resolver Prova
Publicar
Responder
Qual o problema da questão?
Selecione uma opção
Questão Desatualizada
Questão Repetida
Gabarito Errado
Outros Motivos
Mensagem
Enviar
Acessar
Criar Conta
Acesse sua Conta
Google
Facebook
Esqueci minha senha
Acessar
Ainda não tem conta?
Crie uma
!
Crie uma Conta
Criar Conta
Olá, para continuar, precisamos criar uma conta!
É
rápido
e
grátis
.
Google
Facebook
Concordo com os
Termos de Uso
Criar
Já tem uma conta?
Acesse aqui