Magna Concursos
3362319 Ano: 2014
Disciplina: Engenharia Elétrica
Banca: FUNDEP
Orgão: UFTM
Provas:

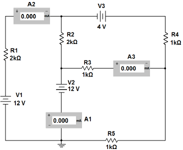
Analise o circuito a seguir.

Enunciado 3817808-1

Assinale a alternativa que apresenta a indicação CORRETA dos três miliamperímetros.

 

Provas

Questão presente nas seguintes provas

Técnico de Eletromecânica

50 Questões