Usando o amplificador operacional LM324, construímos o circuito cujo esquema de conexões e configurações de pinos é apresentado na figura a seguir:

Considerando que os valores máximo e mínimo de V1 sejam ±10 mV, qual a saída produzida pelo circuito?
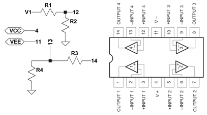
Usando o amplificador operacional LM324, construímos o circuito cujo esquema de conexões e configurações de pinos é apresentado na figura a seguir:

Considerando que os valores máximo e mínimo de V1 sejam ±10 mV, qual a saída produzida pelo circuito?