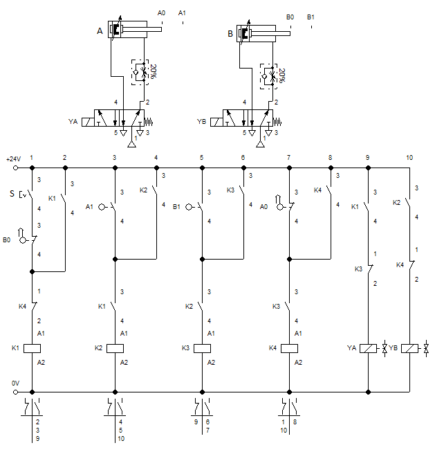
A figura apresentada a seguir é um circuito eletropneumático constituído de dois atuadores para a execução de uma determinada tarefa. Analise o circuito e marque (V) para as afirmativas verdadeiras e (F), para as falsas.

( ) A ativação do relé K2 faz o atuador B recuar.
( ) A movimentação dos atuadores é de acordo com a seguinte sequência algébrica: A+ B+ (A- B-)
( ) Os sensores A1 e B1, são pré-condições de ativação dos relés K2 e K3, respectivamente.
( ) A condição para iniciar a movimentação do sistema é que o atuador A esteja recolhido (sensor A0 ativado) e o botão S seja pressionado.
( ) A ativação do relé K4 faz o atuador B avançar.
( ) O circuito eletropneumático foi feito com base no método denominado Cadeia Estacionária.
Assinale a alternativa que contém a sequência CORRETA de cima para baixo.