2367801
Ano: 2004
Disciplina: TI - Organização e Arquitetura dos Computadores
Banca: CESPE / CEBRASPE
Orgão: ABIN
Disciplina: TI - Organização e Arquitetura dos Computadores
Banca: CESPE / CEBRASPE
Orgão: ABIN
Provas:

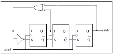
A figura acima apresenta o diagrama de um circuito digital para geração de uma seqüência pseudo-aleatória. Com relação a esse circuito, julgue os itens que se seguem.
A seqüência pseudo-aleatória gerada pelo circuito tem período máximo.