Magna Concursos
396233 Ano: 2006
Disciplina: Física
Banca: CESGRANRIO
Orgão: Petrobrás

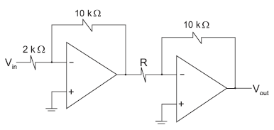
A figura abaixo apresenta um circuito contendo amplificadores operacionais considerados ideais.

Enunciado 396233-1

para que o ganho tatal seja iqual a 20,o valor de R,em KEnunciado 396233-2 deve ser:

 

Provas

Questão presente nas seguintes provas