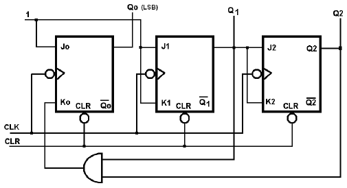
No contador visto na figura a seguir, considere que inicialmente a entrada clear foi acionada, levando as saídas dos flip-flops a zero, e que o pulso de clock está atuando sobre o circuito. A sequência correta de contagem que ele apresenta é igual a

No contador visto na figura a seguir, considere que inicialmente a entrada clear foi acionada, levando as saídas dos flip-flops a zero, e que o pulso de clock está atuando sobre o circuito. A sequência correta de contagem que ele apresenta é igual a
