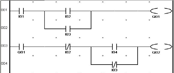
Dado o ladder abaixo e os estados das variáveis no início dos tempos, mostre qual serão os estados dessas variáveis ao final de 1 ciclo de operação(scan) do CLP...

| Variáveis | Estado inicial | Estado após primeiro scan |
| I01 | LIGAD0=1 | 1 |
| I02 | DESLIGADO=0 | 0 |
| I03 | LIGAD0=1 | 1 |
| I04 | DESLIGADO=0 | 0 |
| Q01 | DESLIGADO=0 | 1 |
| Q02 | DESLIGADO=0 | 0 |