Magna Concursos
Questões
Planos
Entrar
Entrar
Criar Conta
Respondida
1381179
Ano:
2010
Disciplina:
Engenharia Mecânica
Banca:
IF-SUL
Orgão:
IF-SUL
Provas:
Professor PEBTT - Usinagem
Provas
×
Sistemas Mecânicos
Processos de Fabricação
Usinagem
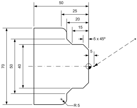
Analise o desenho abaixo.
Com base na análise, a alternativa de programação correta para a fabricação da peça por torneamento CNC, com base no comando MACH é
A
N010 G20# N020 G00 X0. Z5. M08# N030 G01 Z0. F.10# N040 G01 X15.# N050 G01 X20. Z-5.# N060 G01 Z-15.# N070 G01 X25. Z-20.# N080 G01 X30.# N090 G03 X35. Z-25. R5.# N100 G01 Z-50.#
B
N010 G21# N020 G00 X0. Z5. M08# N030 G01 Z0. F.10# N040 G01 X15.# N050 G01 X20. Z-5.# N060 G01 Z-15.# N070 G01 X25. Z-20.# N080 G01 X30.# N090 G02 X35. Z-25. R5.# N100 G01 Z-50.#
C
N010 G20# N020 G00 X0. Z5. M08# N030 G01 Z0. F.10# N040 G01 X30.# N050 G01 X40. Z-5.# N060 G01 Z-15.# N070 G01 X50. Z 20.# N080 G01 X60.# N090 G03 X70. Z-25. I60. K-25.# N100 G01 Z-50.#
D
N010 G21# N020 G00 X0. Z5. M08# N030 G01 Z0. F.10# N040 G01 X30.# N050 G01 X40. Z-5.# N060 G01 Z-15.# N070 G01 X50. Z-20.# N080 G01 X60.# N090 G03 X70. Z-25. I60. K-25.# N100 G01 Z-50.#
Resolver
Comentários
0
×
Cadernos
×
Flashcards
×
Estatísticas
×
Reportar um erro
×
Provas
Questão presente nas seguintes provas
Professor PEBTT - Usinagem
40 Questões
Resolver Prova
Publicar
Responder
Qual o problema da questão?
Selecione uma opção
Questão Desatualizada
Questão Repetida
Gabarito Errado
Outros Motivos
Mensagem
Enviar
Acessar
Criar Conta
Acesse sua Conta
Google
Facebook
Esqueci minha senha
Acessar
Ainda não tem conta?
Crie uma
!
Crie uma Conta
Criar Conta
Olá, para continuar, precisamos criar uma conta!
É
rápido
e
grátis
.
Google
Facebook
Concordo com os
Termos de Uso
Criar
Já tem uma conta?
Acesse aqui