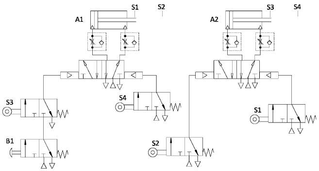
O circuito abaixo representa um sistema sequencial com pneumática pura. Considerando que o comando de partida é dado pelo botão B1, que “A+” significa que a ação do atuador A avançar, que “A-“ significa a ação do atuador recuar e que as ações colocadas dentro de parênteses indicam que estas iniciam ao mesmo tempo, assinale a alternativa que indica a CORRETA sequência de acionamento.
