Magna Concursos
2752963 Ano: 2022
Disciplina: Engenharia Eletrônica
Banca: IF-SP
Orgão: IF-SP

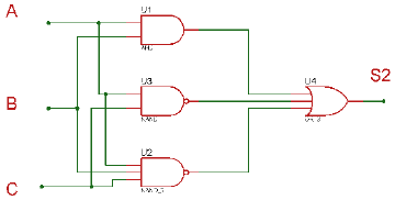
Durante a elaboração de um projeto de automação foi levantada a seguinte equação lógica booleana, que corresponde ao funcionamento do equipamento:

!$ S_2 = A.B + B.\overline C + \overline A. \overline B. \overline C !$

Esta equação foi simplificada, sendo desenvolvido um circuito digital que representa esta automação. Identifique, dentre as alternativas a seguir, qual representa o circuito digital simplificado correto:

 

Provas

Questão presente nas seguintes provas