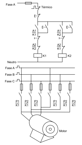
O diagrama ilustrado na figura a seguir apresenta os circuitos de comando e acionamento de um motor de indução trifásico.

O circuito de comando ilustrado nessa figura indica que o contator K1 aciona o motor em um sentido e o contator K2 aciona em outro, e que