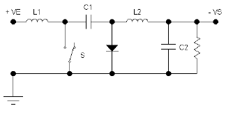
O diagrama abaixo é de uma topologia usada em fontes chaveadas onde, através de uma tensão positiva e contínua de entrada, obtemos uma tensão negativa na saída.

Essa topologia é conhecida por:
O diagrama abaixo é de uma topologia usada em fontes chaveadas onde, através de uma tensão positiva e contínua de entrada, obtemos uma tensão negativa na saída.

Essa topologia é conhecida por: