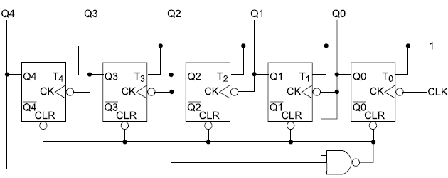
Considere o seguinte circuito digital sequencial:

O maior valor estável que esse circuito pode apresentar em sua saída corresponde, em valores decimais, a:
Considere o seguinte circuito digital sequencial:

O maior valor estável que esse circuito pode apresentar em sua saída corresponde, em valores decimais, a: