Magna Concursos
3451119 Ano: 2024
Disciplina: Engenharia Eletrônica
Banca: ACAFE
Orgão: CELESC

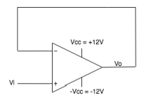
No circuito considere o Amp_Op ideal. É CORRETO afirmar que o ganho (G = Vo/Vi) do circuito é:

Enunciado 3981983-1

 

Provas

Questão presente nas seguintes provas

Técnico Industrial - Eletrônica

60 Questões