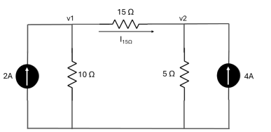
Determine a corrente em A que flui da esquerda para direita no resistor de 15 Ω, observar o circuito a seguir:

Assinale a opção CORRETA:
Determine a corrente em A que flui da esquerda para direita no resistor de 15 Ω, observar o circuito a seguir:

Assinale a opção CORRETA: