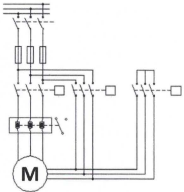
Examine a figura abaixo.

Como é denominado o circuito de acionamento apresentado na figura acima?
Provas
Questão presente nas seguintes provas
Examine a figura abaixo.

Como é denominado o circuito de acionamento apresentado na figura acima?