Magna Concursos
155679 Ano: 2018
Disciplina: Mecânica
Banca: CESGRANRIO
Orgão: Transpetro

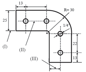
Na Figura abaixo, os tipos de linha indicadas em (I), (II) e (III) correspondem, respectivamente, a linhas de

Enunciado 155679-1

 

Provas

Questão presente nas seguintes provas

Técnico de Manutenção - Mecânica

60 Questões