Magna Concursos
1809983 Ano: 2018
Disciplina: Engenharia Elétrica
Banca: UFV
Orgão: UFV
Provas:

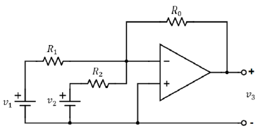
Considere o circuito com amplificador operacional ilustrado na figura abaixo:

Enunciado 3578069-1

É CORRETO afirmar que se trata de um circuito:

 

Provas

Questão presente nas seguintes provas

Técnico Eletricista

35 Questões