Magna Concursos
1115676 Ano: 2017
Disciplina: Física
Banca: IBADE
Orgão: SEE-PB

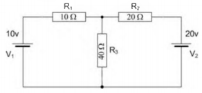
As correntes, medidas em ampères, cruzando os resistores R1, R2 e R3 no circuito a seguir, são aproximadamente de:

enunciado 1115676-1

 

Provas

Questão presente nas seguintes provas