Magna Concursos
279622 Ano: 2003
Disciplina: Engenharia Eletrônica
Banca: UFRN
Orgão: UFRN
Provas:

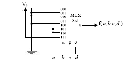
Um circuito lógico combinacional é implementado por meio de um multiplexador 8x1 como mostrado abaixo.

Enunciado 3124768-1

Pode-se afirmar que a função f( a,b,c,d ) vale 1 somente quando nas linhas de entrada ( a,b,c,d ) o número de 1's é
 

Provas

Questão presente nas seguintes provas

Engenheiro Eletrônico

40 Questões