Magna Concursos
2895266 Ano: 2022
Disciplina: Engenharia Eletrônica
Banca: IADES
Orgão: UNDF

Enunciado 3035225-1

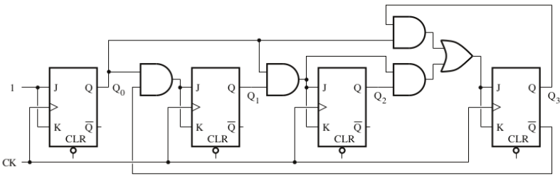
De acordo com o circuito digital apresentado, conclui-se que a sua função é a de contador

 

Provas

Questão presente nas seguintes provas

Professor - Engenharia Elétrica

60 Questões