Magna Concursos
3233577 Ano: 2012
Disciplina: Engenharia Elétrica
Banca: Marinha
Orgão: Marinha

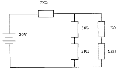
Observe o circuito a seguir.

Enunciado 3345404-1

Assinale a opção que apresenta o valor da corrente que passa pelo resistor de \( 7K Ω \) acima.

 

Provas

Questão presente nas seguintes provas

Corpo Auxiliar de Praças - Eletrotécnica

50 Questões