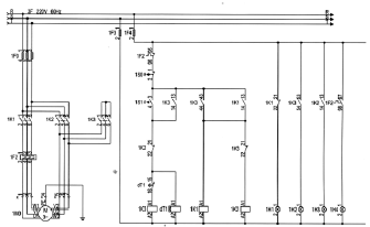
Considere o circuito de força e comando da chave de partida estrela -triângulo para motor trifásico conforme apresentado a seguir. Sabendo-se que a mesma apresenta-se defeituosa, uma vez que ao ser acionada através da botoeira S1,iniciando seu processo de aceleração o motor não passa para a condição normal de marcha. A partir da observação do técnico em automação pode-se afirmar que um defeito que acarreta o problema apresentado é:

Provas
Questão presente nas seguintes provas
Técnico de Laboratório - Automação Industrial
60 Questões