Magna Concursos
651117 Ano: 2014
Disciplina: Mecânica
Banca: CESGRANRIO
Orgão: Petrobrás
Enunciado 651117-1
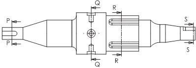
A Figura acima representa a vista frontal de um eixo cilíndrico no primeiro diedro. O eixo tem um rasgo de chaveta em cada extremidade, quatro furos cegos com rebaixo, iguais, na região de maior diâmetro, espaçados de 90° e quatro rasgos de chaveta na seção do segundo maior diâmetro, também iguais e espaçados de 90°. As seções P-P, Q-Q, R-R e S-S, obtidas a partir de cortes da vista apresentada, estão respectivamente representadas em:
 

Provas

Questão presente nas seguintes provas

Técnico de Manutenção - Mecânica

60 Questões