
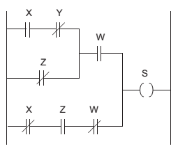
No diagrama lógico, escrito em linguagem ladder, apresentado na Figura acima, fixando-se a entrada Z = 1, a saída S será dada por:

No diagrama lógico, escrito em linguagem ladder, apresentado na Figura acima, fixando-se a entrada Z = 1, a saída S será dada por: