162449
Ano: 2017
Disciplina: Engenharia Eletrônica
Banca: IESES
Orgão: Polícia Científica-SC
Disciplina: Engenharia Eletrônica
Banca: IESES
Orgão: Polícia Científica-SC
Provas:
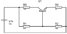
Dado o circuito abaixo contendo um amplificador com o transistor Q1, que tem uma tensão base-emissor de 0,7 V. Os resistores R1 a R4 tem, respectivamente, os seguintes valores: 8,4k!$ \Omega !$, 1,6 k!$ \Omega !$, 100!$ \Omega !$ e 1k!$ \Omega !$. A tensão de entrada da fonte é de 10V. Sobre o comportamento deste circuito, leia as proposições abaixo.
I. A corrente no Resistor R3 depende do valor da resistência ali colocada.
II. Esse circuito possui uma configuração do transistor como fonte de corrente.
III. A tensão sobre o Resistor R4 é 0,90V
IV. O funcionamento desse circuito independe dos dados de fabricação do transistor Q1.
II. Esse circuito possui uma configuração do transistor como fonte de corrente.
III. A tensão sobre o Resistor R4 é 0,90V
IV. O funcionamento desse circuito independe dos dados de fabricação do transistor Q1.

Assinale a alternativa correta: