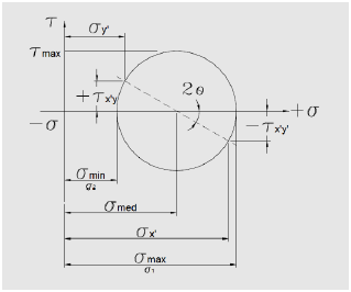
O círculo de Mohr, que foi desenvolvido pelo engenheiro alemão Otto Mohr, é uma solução gráfica para as equações de transformação de tensão no plano, que permite analisar a variação das componentes de tensão normal e tensão de cisalhamento, à medida em que o plano que age é orientado em diferentes direções.

A abscissa de um ponto sobre o círculo representa a tensão normal (!$ \sigma !$) e a ordenada representa a tensão de cisalhamento (!$ \iota !$).
Sobre o círculo de Mohr, assinale a alternativa correta.