Magna Concursos
Questões
Planos
Entrar
Entrar
Criar Conta
Respondida
1431219
Ano:
2010
Disciplina:
Desenho Técnico e Industrial
Banca:
IF-SUL
Orgão:
IF-SUL
Provas:
Professor PEBTT - Desenho
Provas
×
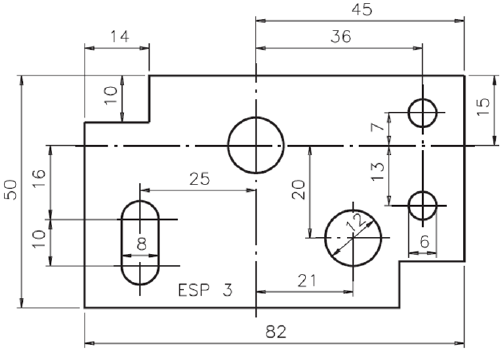
Analise o desenho técnico e identifique as cotas que foram indicadas, a partir da linha de simetria vertical.
Os valores das cotas identificadas são
A
7, 13, 20 e 26.
B
16, 20, 14 e 15.
C
16, 50, 15 e 12.
D
45, 36, 25 e 21.
Resolver
Comentários
0
×
Cadernos
×
Flashcards
×
Estatísticas
×
Reportar um erro
×
Provas
Questão presente nas seguintes provas
Professor PEBTT - Desenho
40 Questões
Resolver Prova
Publicar
Responder
Qual o problema da questão?
Selecione uma opção
Questão Desatualizada
Questão Repetida
Gabarito Errado
Outros Motivos
Mensagem
Enviar
Acessar
Criar Conta
Acesse sua Conta
Google
Facebook
Esqueci minha senha
Acessar
Ainda não tem conta?
Crie uma
!
Crie uma Conta
Criar Conta
Olá, para continuar, precisamos criar uma conta!
É
rápido
e
grátis
.
Google
Facebook
Concordo com os
Termos de Uso
Criar
Já tem uma conta?
Acesse aqui