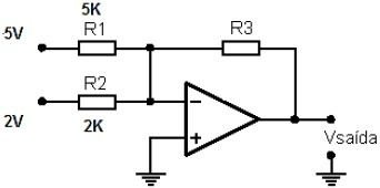
No circuito da figura, o AOP está energizado com fonte simétrica de +15V/ –15V.

O valor de R3, para que a saída do AOP atinja o valor máximo na saída, é apresentado na alternativa
Provas
Questão presente nas seguintes provas
Pesquisador do Inmetro - Engenharia Eletrônica
60 Questões