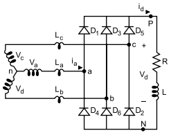
A figura a seguir mostra um Retificador Trifásico de Onda Completa Sem Controle (somente diodos), que alimenta o circuito de campo de um Gerador Síncrono com característica altamente indutiva. Como o Retificador é sem controle, os valores da Tensão Média (Vd ) e da Corrente Média (Id ) no circuito de campo, apresentam os seus valores máximos e constantes. Uma fonte de alimentação trifásica ligada em estrela (Y), com tensão máxima de fase equilibrada (VMAXan = VMAXbn = VMAXcn = VMAXfase), é conectada ao Retificador. Para a perfeita operação do sistema, é necessário ESPECIFICAR os diodos do retificador em função da tensão reversa máxima (VRMAX) a que eles ficam sujeitos, quando não estão conduzindo, e da corrente direta (IF) que circula por eles quando em condução.

Assim, pode-se afirmar corretamente que suas especificações mínimas serão, respectivamente: