
Claiton Moro Franchi. Acionamentos elétricos. 2.ª ed. São Paulo: Ed. Érica, 2007, p. 156 (com adaptações).
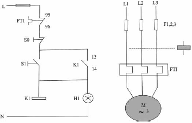
Considerando a figura apresentada, que ilustra os circuitos de comando e de força de um motor de indução trifásico, julgue o próximo item.
Se o botão S0 for pressionado ou o relé indicado por FT1 atuar, o motor será desligado.
Provas
Questão presente nas seguintes provas
Auditor de Controle Externo - Engenharia Elétrica
120 Questões