2933920
Ano: 2023
Disciplina: Engenharia Mecânica
Banca: Pref. Bauru-SP
Orgão: Pref. Bauru-SP
Disciplina: Engenharia Mecânica
Banca: Pref. Bauru-SP
Orgão: Pref. Bauru-SP
Provas:
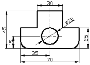
Avaliando o desenho técnico a seguir responda qual o raio da broca que deve ser usada para fazer o furo central:
