
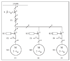
Figura 2 - Diagrama de força unifilar de três motores

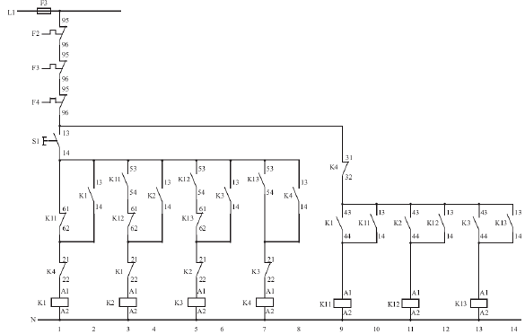
Figura 3 - Diagrama de comando referente ao diagrama de força da Figura 2
Na Figura 2 é apresentado um diagrama de força para três motores, e na Figura 3 o respectivo diagrama de comando, baseando-se nessas duas figuras marque a alternativa INCORRETA.