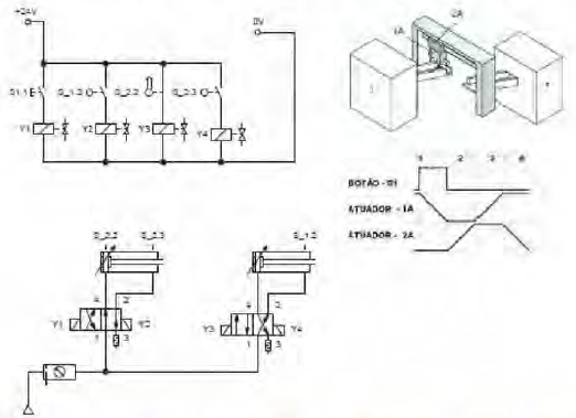
Analisando o diagrama elétrico e pneumático do equipamento de movimentação de peça e acionamento manual mostrado abaixo podemos afirmar para que:

https://www.google.eom.br/search?rlz=1 C1 PRFI enBR726BR726&biw=1366&bih=637&tbm=isch&sa=1 &q=diagrama+elet rov%C3%A 1 lvulas&oq=diagrama+eletrov%C3%A 1 lvulas&gs - - acessado em 09/2017
Assinale a proposição CORRETA quanto ao funcionamento dos circuitos