Considere a tabela verdade abaixo:
| A | B | S |
| 0 | 0 | 0 |
| 0 | 1 | 0 |
| 1 | 0 | 1 |
| 1 | 1 | 0 |
O diagrama em LADDER que traduz essa tabela verdade é:
Provas
Questão presente nas seguintes provas
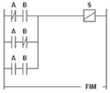
Considere a tabela verdade abaixo:
| A | B | S |
| 0 | 0 | 0 |
| 0 | 1 | 0 |
| 1 | 0 | 1 |
| 1 | 1 | 0 |
O diagrama em LADDER que traduz essa tabela verdade é: