Magna Concursos
2807686 Ano: 2023
Disciplina: Engenharia Elétrica
Banca: IBGP
Orgão: CBM-MG

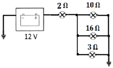
Considere o circuito elétrico a seguir:

Enunciado 3038793-1

É CORRETO afirmar que a potência no circuito é de:

 

Provas

Questão presente nas seguintes provas

Soldado Bombeiro Militar - Eletricista

50 Questões