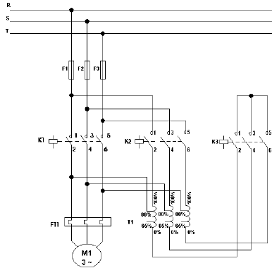
As partidas de motores elétricos aplicando dispositivos eletromagnéticos são ainda largamente utilizadas, principalmente nos casos em que, por questões econômicas e/ou técnicas, não existe justificativa para a substituição por partidas eletrônicas. Identifique o tipo de circuito representado abaixo:
