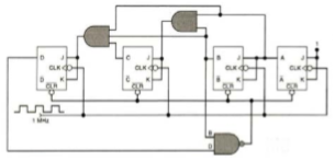
Analise o circuito a seguir.

A respeito desse circuito, é correto afirmar:
Provas
Questão presente nas seguintes provas
Analista Técnico - Engenheiro de Instalações
45 Questões
Analise o circuito a seguir.

A respeito desse circuito, é correto afirmar: