Magna Concursos
2400585 Ano: 2010
Disciplina: Engenharia Mecânica
Banca: UFSCAR
Orgão: UFSCAR
Provas:

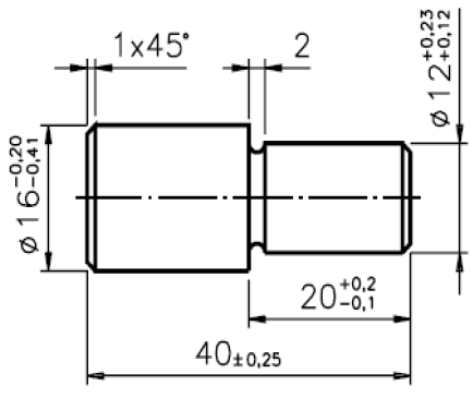
Sobre as medidas e tolerâncias indicadas na peça abaixo, assinale a alternativa CORRETA:

Enunciado 2944923-1

 

Provas

Questão presente nas seguintes provas

Engenheiro Mecânico

60 Questões