
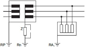
De acordo com a NBR-14.039, que trata de Instalações Elétricas de Média Tensão, de 1,0kV a 36,2kV, o esquema de aterramento apresentado na figura acima é o

De acordo com a NBR-14.039, que trata de Instalações Elétricas de Média Tensão, de 1,0kV a 36,2kV, o esquema de aterramento apresentado na figura acima é o