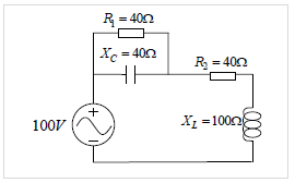
Considere o circuito elétrico mostrado ao lado, onde uma fonte de tensão senoidal (CA) de valor eficaz de tensão igual a 100 V é aplicada a um circuito composto por dois resistores de resistências iguais a \( R_1 \) = 40 Ω e \( R_2 \) = 40 Ω, um indutor de reatância indutiva igual a \( X_L \)= 100 Ω e um capacitor de reatância capacitiva igual a \( X_C \) = 40 Ω.

Assinale a alternativa que apresenta a potência ativa fornecida pela fonte de tensão.
Provas
Questão presente nas seguintes provas