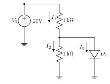
Quanto ao circuito a seguir, que contém um diodo (D1) com queda de tensão de 0,7 V, assinale a alternativa verdadeira.
A corrente I1 vale 18,6 mA.
A corrente I2 vale 10 mA.
É um circuito retificador de onda completa.
A corrente I2 é maior que I3.
A corrente I3 vale 18,6 mA.
Olá, para continuar, precisamos criar uma conta! É rápido e grátis.